相關推薦
產品介紹
銀泰絲桿,銀泰滾珠絲桿的特性:
滾珠絲杠由螺桿、螺母、鋼球、預壓片、反向器、防塵器組成。它的功能是將旋轉運動轉化成直線運動,這是艾克姆螺桿的進一步延伸和發展,這項發展的重要意義就是將軸承從滾動動作變成滑動動作。由于具有很小的摩擦阻力,滾珠絲杠被廣泛應用于各種工業設備和精密儀器。
滾珠絲杠是工具機和精密機械上最常使用的傳動元件,其主要功能是將旋轉運動轉換成線性運動,或將扭矩轉換成軸向反復作用力,同時兼具高精度、可逆性和高效率的特點。
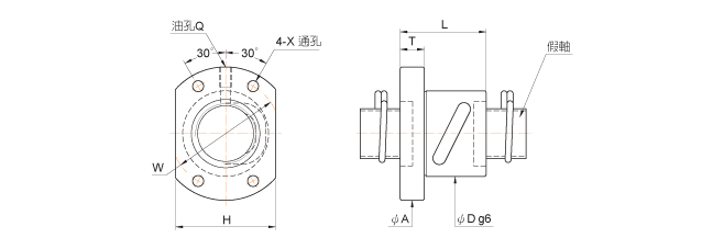
滾珠絲杠主要參數為:公稱直徑與導程。
滾珠絲杠軸承為適應各種用途,提供了標準化種類繁多的產品。廣泛應用于機床,滾珠的循環方式有循環導管式、循環器式、端蓋式。預壓方式有定位預壓(雙螺母方式、位預壓方式)、定壓預壓。可根據用途選擇適當類型。絲桿有高精度研磨加工的精密滾珠絲杠(精度分為從CO-C7的6個等級)和經高精度冷軋加工成型的冷軋滾珠絲杠軸承(精度分為從C7-C10的3個等級)。另外,為應付用戶急需交貨的情況,還有已對軸端部進行了加工的成品,可自由對軸端部進行追加工的半成品及冷軋滾珠絲杠軸承。作為此軸承的周邊零部件,在使用所必要的絲杠支撐單元、螺母支座、鎖緊螺母等也已被標準化了,可供用戶選擇使用。
|
產品簡介 |
|||
|
PMI 轉造級滾珠導絲桿制程、設備不同于它廠,本公司先進的轉造技術搭配德國Bad Duben進口數值電控滾牙機制造,本公司從導絲桿素材選用、轉造加工、中周波表面熱處理、后制加工皆有嚴格質量管控,以滿足顧客所需產品之最佳質量。 |
|||
| 轉造級滾珠絲桿搭配研磨級螺帽取代了傳統艾克姆導絲桿、梯形導絲桿之傳動方式,可提升運轉順暢度、降低摩擦力及軸向背隙之優點,且供貨迅速、價格低廉。 | |||
| 轉造級與研磨級滾珠導絲桿除了在導程誤差之定義與幾何公差有所差異外,亦可用相同預壓方式來消除軸向背隙,歡迎向本公司諮詢相關技術資料。 | |||
|
產品特性 |
|||
| ?C7、C8、C10 級絲桿已標準化 | ?轉造用螺帽精密度高 | ||
| ?導程精度最高可達C5級 | ?螺帽互換性高 | ||
|
產品簡介 |
|||
|
PMI 絲桿制程、備不同于它廠,本公司先進的轉造技術搭配德國Bad Duben進口數值電控滾牙機制造,本公司從導絲桿素材選用、轉造加工、中周波表面熱處理、后制加工皆有嚴格質量管控,以滿足顧客所需產品之最佳質量。 |
|||
| 轉造級滾珠絲桿搭配研磨級螺帽取代了傳統艾克姆導絲桿、梯形導絲桿之傳動方式,可提升運轉順暢度、降低摩擦力及軸向背隙之優點,且供貨迅速、價格低廉。 | |||
| 轉造級與研磨級滾珠導絲桿除了在導程誤差之定義與幾何公差有所差異外,亦可用相同預壓方式來消除軸向背隙,歡迎向本公司諮詢相關技術資料。 | |||
產品特性
C7、C8、C10 級絲桿已標準化
?轉造用螺帽精密度高
導程精度最高可達C5級
?螺帽互換性高

注:螺帽剛性 - 如下表所示之剛性質是施加30%之動負荷(Ca)為軸向負荷時,溝槽與鋼珠間所產生的彈性變形而求得之理論值。
產品簡介:
1:PMI轉造級滾珠導絲桿制程、設備不同于它廠,本公司先進的轉造技術搭配德國Bad Duben進口數值電控滾牙機制造,本公司從導絲桿素材選用、轉造加工、中周波表面熱處理、后制加工皆有嚴格質量管控,以滿足顧客所需產品之最佳質量。
2:轉造級滾珠絲桿搭配研磨級螺帽取代了傳統艾克姆導絲桿、梯形導絲桿之傳動方式,可提升運轉順暢度、降低摩擦力及軸向背隙之優點,且供貨迅速、價格低廉。
3:轉造級與研磨級滾珠導絲桿除了在導程誤差之定義與幾何公差有所差異外,亦可用相同預壓方式來消除軸向背隙,歡迎向本公司諮詢相關技術資料。
產品特性:
①C7、C8、C10級絲桿已標準化
②轉造用螺帽精密度高
③導程精度最高可達C5級
④螺帽互換性高
