相關推薦
產品介紹
銀泰絲桿,銀泰滾珠絲桿的特性:
滾珠絲杠由螺桿、螺母、鋼球、預壓片、反向器、防塵器組成。它的功能是將旋轉運動轉化成直線運動,這是艾克姆螺桿的進一步延伸和發展,這項發展的重要意義就是將軸承從滾動動作變成滑動動作。由于具有很小的摩擦阻力,滾珠絲杠被廣泛應用于各種工業設備和精密儀器。
滾珠絲杠是工具機和精密機械上最常使用的傳動元件,其主要功能是將旋轉運動轉換成線性運動,或將扭矩轉換成軸向反復作用力,同時兼具高精度、可逆性和高效率的特點。
滾珠絲杠主要參數為:公稱直徑與導程。
滾珠絲杠軸承為適應各種用途,提供了標準化種類繁多的產品。廣泛應用于機床,滾珠的循環方式有循環導管式、循環器式、端蓋式。預壓方式有定位預壓(雙螺母方式、位預壓方式)、定壓預壓。可根據用途選擇適當類型。絲桿有高精度研磨加工的精密滾珠絲杠(精度分為從CO-C7的6個等級)和經高精度冷軋加工成型的冷軋滾珠絲杠軸承(精度分為從C7-C10的3個等級)。另外,為應付用戶急需交貨的情況,還有已對軸端部進行了加工的成品,可自由對軸端部進行追加工的半成品及冷軋滾珠絲杠軸承。作為此軸承的周邊零部件,在使用所必要的絲杠支撐單元、螺母支座、鎖緊螺母等也已被標準化了,可供用戶選擇使用。
|
滾珠絲桿產品特性 |
|
|
此回流系統的設計經由前后兩端循環路徑,配合螺帽上貫穿孔作為鋼珠回流,使螺帽上所有珠槽都布滿有效鋼珠因此在相同的螺帽長度下,端塞螺帽會比外循環螺帽具較高的動負荷。 |
|

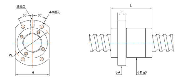
| 絲桿尺寸 | 珠徑 |
循環圈數 |
基本額定負荷 (kgf) | 螺帽 | 法蘭 | 螺絲孔 | 油孔 | 剛性 |
|
||||||
| 外徑 | 導程 |
動負荷 (1×106 REV.) Cam |
靜負荷 Coam |
Dg6 |
L |
A | T | W | H | X | Q | kgf/μm | |||
| 15 | 10 | 3.715 | 2.8×2 | 1410 | 2800 | 34 | 44 | 57 | 10 | 40 | 45 | 5.5 | M6×1P | 34 |
|
| 16 | 16 | 3.715 | 1.8×2 | 700 | 1400 | 32 | 38 | 53 | 10 | 38 | 42 | 4.5 | M6×1P | 18 |
|
| 20 | 20 | 3.715 | 1.8×2 | 1100 | 2500 | 39 | 52 | 62 | 10 | 46 | 50 | 5.5 | M6×1P | 29 |
|
| 25 | 25 | 3.969 | 1.8×2 | 1650 | 3900 | 47 | 62 | 74 | 12 | 56 | 60 | 6.6 | M6×1P | 35 |
|
| 1.8×4 | 2830 | 7800 | 69 |
|
|||||||||||
| 32 | 32 | 4.762 | 1.8×2 | 2360 | 5940 | 58 | 78 | 92 | 15 | 68 | 74 | 9 | M6×1P | 44 |
|
| 1.8×4 | 4280 | 11800 | 87 |
|
|||||||||||
| 36 | 24 | 7.144 | 2.8×2 | 6450 | 15220 | 75 | 94 | 115 | 18 | 86 | 94 | 11 | M6×1P | 77 |
|
| 40 | 40 | 6.35 | 1.8×2 | 3860 | 990 | 73 | 95 | 114 | 17 | 84 | 93 | 11 | M6×1P | 55 |
|
| 1.8×4 | 7000 | 19880 | 108 |
|
|||||||||||
| 50 | 50 | 7.938 | 1.8×2 | 5800 | 15800 | 90 | 120 | 135 | 20 | 104 | 112 | 14 | M6×1P | 68 |
|
| 1.8×4 | 10520 | 31600 |
|
||||||||||||
精密研磨級PMI滾珠絲桿◎特點 :
●高效率及可逆性
●零背隙及高剛性
●高導程精度
●壽命可預測
●低起動扭矩及順暢度
●靜音
●短交期
●優于氣、液壓致動器的優點
◎應用:
●CNC機械:CNC加工中心、CNC車床、CNC銑床、CNC放電加工機、CNC磨床、CNC線切割機、CNC鉆孔機、專用機…等等
●精密工具機:銑床、磨床、放電加工機、刀具磨床、齒輪加工機、鉆床、刨床
●產業機械:印刷機、造紙機、自動化機械、紡織機、繪圖機
●電子機械:測量儀器、x-y平臺、醫學設備、工廠自動化設備、PCB鉆孔機、IC封裝機、半導體設備、工廠自動化設備…等
●輸送機械:Robort Stage、材料搬送設備、核能反應器,高度致動器…等
航天工業:飛機襟翼、機場負載設備
●其它:如天線使用的致動器、閥門開關裝置…等
